Lahme VitaLight Einbaunische Unterwasserscheinwerfer 110/113mm Rotguß
Haben Sie Fragen zu diesem Produkt?
Gern beraten wir Sie in einem persönlichem Gespräch.
Lahme VitaLight Einbaunische Unterwasserscheinwerfer 110/113mm - Perfekte Lösung für langlebige Poolbeleuchtung
Mit dieser hochwertigen Einbaunische profitieren Sie von kompromissloser Langlebigkeit und sicherer Installation Ihrer LED- und Halogen-Unterwasserscheinwerfer. Rotguss und Bronze sorgen für maximale Beständigkeit gegen Korrosion - ideal, wenn Sie Wert auf dauerhaft störungsfreie Poolbeleuchtung legen oder einen Pool mit Salzelektrolyse betreiben wollen. Die passgenaue Bauform vereinfacht den Einbau, schützt Kabel und Verbindungstechnik dauerhaft und bietet damit die zuverlässige Basis für jede VitaLight Scheinwerferanlage.
Vorteile
- Hervorragender Korrosionsschutz dank massiver Rotguss- oder Bronzeausführung
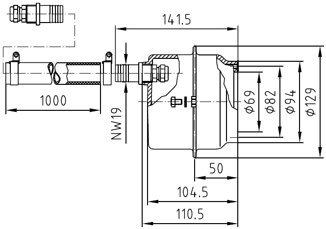
- Optimal für LED- und Halogen-Unterwasserscheinwerfer mit 110/113 mm (Ø)
- Geeignet für Folien-, Fliesen-, Beton- und Styroporpools
- Inklusive Leerrohr zur sicheren Kabelverlegung und Bauschutzabdeckung
- Made in Germany - Präzision und Qualität von Hugo Lahme
- Sicherheit durch vorgeschriebene Erdungsklemme (Lieferumfang)
Material
Die Nische wird aus Rotguss (Rg5: Kupfer-Zinn-Zink) oder Bronze (Gbr10: Kupfer-Zinn) gefertigt. Diese Metallgusswerkstoffe zeichnen sich durch eine sehr hohe Korrosionsbeständigkeit, Formstabilität und lange Lebensdauer aus. Bronze ist bis 6 % Salzgehalt salzwassergeeignet - die ideale Wahl bei Salzelektrolyse oder für Meerwasserpools. Rotguss empfiehlt sich bei „normaler“ Chlor-Desinfektion (bis max. 0,5 % Salz). Die massiven Gusskörper garantieren eine nachhaltige, dichte Montage und dauerhaften Schutz für alle elektrischen Komponenten im Beckenwandbereich.
Anwendung
Die Lahme VitaLight Einbaunische ermöglicht den problemlosen, sicheren Einbau von Scheinwerfereinsätzen der VitaLight POWER LED 3.0 Serie oder passend dimensionierten Halogenscheinwerfern. Dank angegossenem Betonierring sitzt die Nische dauerhaft formschlüssig in den meisten Beckenwandkonstruktionen aus Beton, Styropor oder Mauerwerk. Das beiliegende Leerrohr schützt die Anschlussleitungen, die Bauschutzkappe verhindert Verschmutzung bei der Rohbaumontage. Der Anschluss muss aus Sicherheitsgründen immer durch eine Elektrofachkraft erfolgen.
Technische Daten
| Merkmale | Details |
|---|---|
| Alle Maße und Angaben gem. Herstellerangabe Hugo Lahme GmbH & Co. KG | |
| Material | Rotguss oder Bronze |
| Geeignet für | LED/Halogen-Unterwasserscheinwerfer, 110/113 mm |
| Einsatzbereich | Beton, Styroporpools, gemauerte Becken, Folien-, Fliesenbecken |
| Spannung | 24 V DC (empfohlener Standard für VitaLight) |
| Besonderheiten | Leerrohr für Kabel, Bauschutz, Erdungsklemme |
| Salzwassertauglich | Bronze ja (bis 6 %), Rotguss nur für Chlorpools, weder Rotguss noch Edelstahl für Salzelektrolyse empfohlen |
| Kompatibilität | VitaLight POWER LED 3.0, verschiedene Halogen/LED-Einsätze |
Fragen & Antworten zu Lahme VitaLight Einbaunische Unterwasserscheinwerfer 110/113mm
- Für welche Poolarten ist die Einbaunische geeignet?
Die Einbaunische kann in Beton-, gemauerte, Folien- und Styroporbecken eingesetzt werden. - Kann ich sie bei Salzelektrolyse einsetzen?
Nur die Ausführung in Bronze ist für den Betrieb mit Salzelektrolyseanlagen oder in Meerwasser geeignet (bis 6 % Salzgehalt); Rotguss-Ausführung ist ausschließlich für Chlorbecken vorgesehen. - Lassen sich auch andere Scheinwerfer als VitaLight einsetzen?
Die Nische ist primär für VitaLight Scheinwerfereinsätze (POWER LED 3.0) entwickelt - passend für Ø 110/113 mm. Andere Einsätze müssen auf Maß geprüft werden. - Wie funktioniert die Montage?
Die Nische wird beim Betonieren oder Mauern in die Wand eingelegt. Mitgeliefertes Zubehör wie Leerrohr und Bauschutz erleichtern die Installation. - Brauche ich einen Elektriker für den Anschluss?
Ja, der Anschluss muss aus Sicherheitsgründen durch eine Elektrofachkraft nach VDE-Richtlinien erfolgen. - Was ist bei der Kabelverlegung zu beachten?
Das beigelegte Leerrohr schützt die Kabelverbindung dauerhaft; unbedingt auf wasserdichte Durchführung achten. - Muss ich eine Erdung vornehmen?
Ja, eine Erdungsklemme ist enthalten und für den Personenschutz unbedingt erforderlich. - Wie reinige ich die Einbaunische vor dem Endausbau?
Die mitgelieferte Bauschutzkappe verhindert grobe Verschmutzungen während des Rohbaus - vor Installation des Scheinwerfers ggf. einmal auswischen und prüfen. - Wie langlebig ist die Nische?
Dank massiver Bronze- oder Rotgussfertigung und hochwertiger Verarbeitung ist die Einbaunische extrem robust und wartungsarm. - Gibt es Ersatzteile?
Ja, Leerrohre, Flanschsätze, Dichtungen und Anschlussdosen sind separat erhältlich.
Sichern Sie sich jetzt eine professionelle, langlebige Poolbeleuchtung mit der Qualitäts-Einbaunische von Hugo Lahme - passend für alle wichtigen LED- und Halogen-Unterwasserscheinwerfer!
| Einbauteil: | Einbaunische |
|---|---|
| Scheinwerfertyp: | Mini UWS |
Hugo Lahme GmbH
Kahlenbecker Str. 2
58256 Ennepetal
lahme.de
Sicherheitstechnische Angaben in der Bedienungsanleitung und Anleitungsblättern, die dem Schwimmbecken beigefügt sind.
Vor dem Bau und der Benutzung des Schwimmbeckens müssen sämtliche Informationen in der Betriebsanleitung sorgfältig gelesen und verstanden werden. Warnhinweise, Anleitungen und Sicherheitsrichtlinien umfassen einige allgemeine Risiken in Bezug auf Freizeitbeschäftigung im Wasser, sie können jedoch nicht sämtliche Risiken und Gefährdungen in allen Fällen behandeln. Bei jeglicher Aktivität im Wasser wird Vorsicht, gesunder Menschenverstand und gutes Urteilsvermögen walten gelassen. Diese Angaben und Anleitungen müssen für die spätere Nutzung aufbewahrt werden.
Sicherheit von Nichtschwimmern:
• Es ist jederzeit eine ständige, aktive und wachsame Beaufsichtigung schwacher Schwimmer und Nichtschwimmer durch eine sachkundige erwachsene Aufsichtsperson erforderlich (es wird daran erinnert, dass das größte Risiko des Ertrinkens bei Kindern unter 5 Jahren besteht).
• Es wird eine sachkundige erwachsene Person bestimmt, die das Becken überwacht, wenn es benutzt wird.
• Schwache Schwimmer oder Nichtschwimmer sollten persönliche Schutzausrüstung tragen, wenn sie ins Schwimmbecken gehen.
• Wenn das Schwimmbecken nicht benutzt oder überwacht wird, werden sämtliche Spielsachen aus dem Schwimmbecken und seiner Umgebung entfernt, um zu verhindern, dass Kinder davon angezogen werden.
Sicherheitsvorrichtungen:
• Es wird empfohlen, eine Absperrung zu errichten (und sämtliche Türen und Fenster zu sichern, sofern zutreffend), um unberechtigten Zutritt zum Schwimmbecken zu vermeiden.
• Absperrungen, Beckenabdeckungen, Alarmanlagen oder ähnliche Sicherheitsvorrichtungen sind sinnvolle Hilfsmittel, ersetzen jedoch keine ständige und sachkundige Überwachung durch erwachsene Personen.
Sicherheitsausrüstung:
• Es wird empfohlen, Rettungsausrüstung (z. B. einen Rettungsring, Sanikasten) in der Nähe des Beckensaufzubewahren.
• Ein funktionierendes Telefon und eine Liste von Notrufnummern werden in der Nähe des Schwimmbeckens aufbewahrt.
Sichere Nutzung des Schwimmbeckens:
• Sämtliche Nutzer, insbesondere Kinder, werden dazu ermuntert, schwimmen zu lernen.
• Jeder der ein Schwimmbecken benutzt soll Erste Hilfe Maßnahmen (Herz-Lungen-Wiederbelebung) erlernen und diese Kenntnisse regelmäßig auffrischen. Das kann bei einem Notfall einen lebensrettenden Unterschied ausmachen.
• Sämtliche Beckenbenutzer, einschließlich Kinder, anweisen, was in einem Notfall zu tun ist.
• Niemals in flaches Wasser springen. Das kann zu schweren Verletzungen oder zum Tode führen.
• Das Schwimmbecken nicht benutzen, wenn man unter dem Einfluss von Alkohol, Drogen, Betäubungsmitteln, Medikamenten oder anderen Substanzen steht, welche die Fähigkeit zur sicheren Nutzung des Beckens beeinträchtigen können.
• Beckenabdeckungen vor dem Betreten des Schwimmbeckens vollständig von der Wasseroberfläche entfernen, wenn sie verwendet werden.
• Die Nutzer des Schwimmbeckens werden vor durch das Wasser verbreiteten Krankheiten geschützt, indem das Wasser stets aufbereitet und hygienisch unbedenklich gehalten wird. Die Richtlinien zur Wasseraufbereitung in der Gebrauchsanleitung werden zu Rate gezogen und eingehalten.
• Chemikalien (z. B. Produkte für die Wasseraufbereitung, Reinigung oder Desinfektion) außerhalb der Reichweite von Kindern aufbewahren.
• Abnehmbare Leitern sind auf einer waagerechten Fläche anzuordnen.
• Die nachstehenden nachstehenden Sicherheitszeichen müssen verwendet werden:
| Die Zeichen (in Bild B.1a und Bild B.1.b) sind an einer gut sichtbaren Stelle innerhalb von 2 m in der Nähe des Schwimmbeckens anzubringen. |
![]() ![]() |
| Es wird empfohlen, das Zeichen (in Bild B.2) an einer gut sichtbaren Stelle innerhalb von 2 m in der Nähe des Schwimmbeckens anzubringen. |
![]() |


